|
蒸汽流量计 ----- 无锡优量仪表之旗舰产品 |
|
中华人民共和国计量器具生产许可证 苏制 02000305号
蒸汽流量计执行标准: JJG1029-2007 |
|
| |
蒸汽流量计.国标/商用.(锅炉和电厂蒸汽的计量) |
| 优点: |
1、探头密封件选用超软异型非标金属片:
许多蒸汽流量计是探头密封不严,造成漏水而报废的,因为一般厂家都不具备高温密封测试条件。
2、专为过热蒸汽设计超高温探头,耐温达420℃:选用进口高温材料和巧妙结构进行特殊工艺封装,成为国内封装技术较领先的少数厂家之一
3、探头采用四片晶体封装结构,抗震性明显增强:一般厂家只封装两片晶体,而另外两片主要是防震作用。
4、传感器的发生体是模注而成,批量生产,成本低:不锈钢的金加工难度大,没有一定批量,成本较高,而且外观不美。
5、蒸汽计算软件烧制在模块芯片里,自动显示质量流量:这套软件分饱和蒸汽和过热蒸汽两个版本,在线显示温度、压力、密度、流量值。 |
|
|
|
| |
比资质,比精度,比重量,比技术,还是选优量! |
| |
|
| |
|
| |
V锥蒸汽流量计.适用于小流量或大震动管道 |
| |

平衡流量计 DN1000mm |
| |
精品级涡街流量计/蒸汽流量计,每套带第三方检测证书;优量流量计,就是不一样 |
|
| |
您的流量计,准吗?
国家认可制造资质,代办第三方测试检定,流量计放心! |
| |
|
| |
无锡优量,具备国家认可生产资质,通过第三方省级权威认证,让用户放心 |
无锡优量,具备国家认可的生产资质,计量器具生产许可证:苏制02000305号.
购买时, 直接来电0510-8202 6888咨询,谨防假冒,杜绝伪劣. |
|
|
计量器具许可证:苏制02000305号-3
LUGB涡街流量计 |
计量器具型式批准证书
(江苏省质量技术监督局发证)
LUGB涡街流量计 |
|
| |
|
| |
| |
|
| |
四款 蒸汽流量计可选------总有一款适合你 |
|
| |
| 1、优势产品:高温涡街传感器 |
2、优势产品:高压涡街传感器 |
耐高温达450℃ |
耐高压达300公斤(30MPa) |
预订电话: 0510-8202 6888 0510-8311 8288 0510-8505 1088 |
|
| |
欢迎订制非标件、高标件---特种蒸汽流量计
选型/技术咨询:0510-82026888 83118288 |

DN100 6.4MPa高压涡街流量计 |

DN40 6.4MPa高压涡街流量计 |
|
| |
过热蒸汽的密度是随温度和压力的变化而变化的,必须即时自动跟踪补偿,否则,误差特别大,无锡优量公司推出这款高精度产品供选择。 |
|
|
| |
蒸汽流量计现场安装图(Φ100mm) |
| |
| |
| |
专业生产 全系列智能涡街蒸汽流量计----------产品更全,品种更多 |
|
| |
技术参数: |
公称口径: |
DN15、DN20、DN25、DN32、DN40、DN50、DN65、DN80、DN100、DN125、 |
| |
DN150、DN200、DN250、DN300、DN350、DN400、DN450、DN500、DN600。 |
|
◆ 适用范围:气体(空气、氧气、氮气、煤气、天燃气、化学气体等)、液体(水、高温水、油、食品液、化学液等)、蒸汽(饱和蒸汽、过热蒸汽)。
◆ 可测介质温度:-40℃~280℃、-40℃~350℃。
◆ 公称压力:≤1.6MPa 、≤2.5MPa 、≤4MPa。
◆ 精度等级:液体1级、气体、蒸汽1.5级。 |
输出信号:
电压脉冲:低电平≤1V,高电平≥6V,脉冲宽0.4ms,负载电阻>150Ω。
标准电流:4-20mA,转换精度±0.5%满度值,负载电阻24V-500Ω。
现场液晶显示:瞬时流量6液晶位显示(m3/h),转换精度±0.1%;累积流量8位显示(m3),转换精度±0.1%;
◆ 供电电源:
脉冲输出:+24VDC,4-20mA输出
现场液晶显示:+24VDC 或3.6V 锂电池。
◆ 环境温度:电压脉冲输出:-30℃—+65℃;4-20mA输出:-10℃—+55℃;现场液晶显示:-25℃—+55℃
◆ 表体材料:不锈钢(1Cr18Ni9Ti) |
精美的模铸涡街发生体 |
|
|
| |
| 智能一体型涡街流量计(本安防爆型、锂电池DC3.6V供电/DC24V供电) |
DN65mm(实物照片)
未经无锡优量公司许可,防伪图片不得使用
|
适用:
各种气体(压缩空气、热风、氧气、氮气、煤气、天然气、乙炔)
各种液体(纯水、去离子水、软水、乙醇、甲苯、酚类、液氨)
|
智能液晶双排显示表头(实物照片)
未经无锡优量公司许可,防伪图片不得使用 |
|
| |
无锡优量-----------为您量身定制 非标产品
|
| |
|
| |
| 标况流量: |
|
结构形式 |
通径(mm) |
工况流量范围(m³/h)
|
液 体 |
气 体 |
蒸 汽 |
|
满 管 式
|
15 |
0.3-3.8 |
3.8-38 |
4.4-44 |
20 |
0.5-6.2 |
6.7-67 |
7.9-79 |
15 |
0.9-10 |
10-100 |
12-120 |
32 |
1.6-16 |
16-160 |
19-190 |
40 |
2.5-26 |
25-250 |
30-300 |
50 |
3.5-38 |
40-400 |
50-500 |
65 |
5.2-65 |
68-680 |
85-850 |
80 |
8-100 |
100-1000 |
120-1200 |
100 |
12-150 |
160-1600 |
190-1900 |
125 |
20-250 |
230-2300 |
280-2800 |
150 |
32-380 |
380-3800 |
440-4400 |
200 |
50-620 |
670-6700 |
790-7900 |
250 |
80-1150 |
1060-10600 |
1200-12000 |
300 |
130-1400 |
1540-15400 |
1780-17800 |
|
插 入 式 |
400 |
180-2700 |
2700-27000 |
3200-32000 |
500 |
280-4200 |
4240-42400 |
4950-49500 |
600 |
410-6100 |
6100-61000 |
7100-71000 |
700 |
580-7300 |
7800-78000 |
9300-93000 |
800 |
720-10800 |
10850-108500 |
12660-126600 |
900 |
970-12000 |
13000-130000 |
15500-155000 |
|
| |
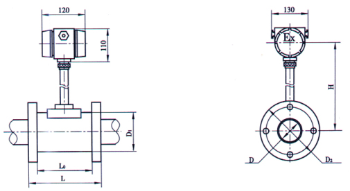
基本结构和安装尺寸: |
 |
涡街传感器 基本结构剖面图 |
| |
|
| |
外形尺寸: |
|
| |
口径(D) |
管道规格 |
H |
L |
L0 |
D1 |
D2 |
15 |
Φ19×1.5 |
290 |
116 |
80 |
68 |
135 |
20 |
Φ26×3 |
290 |
116 |
80 |
68 |
135 |
25 |
Φ32×3.5 |
290 |
116 |
80 |
68 |
135 |
32 |
Φ39×3.5 |
290 |
116 |
80 |
68 |
135 |
40 |
Φ49×4.5 |
295 |
120 |
80 |
80 |
140 |
50 |
Φ59×4.5 |
300 |
124 |
80 |
88 |
145 |
65 |
Φ74×4.5 |
308 |
128 |
80 |
105 |
165 |
80 |
Φ89×4.5 |
315 |
128 |
80 |
120 |
180 |
100 |
Φ109×4.5 |
328 |
132 |
80 |
148 |
210 |
125 |
Φ133×4.5 |
340 |
137 |
85 |
174 |
235 |
150 |
Φ159×4.5 |
351 |
146 |
90 |
196 |
270 |
200 |
Φ219×9 |
378 |
169 |
105 |
250 |
325 |
250 |
Φ273×11 |
402 |
184 |
120 |
300 |
375 |
300 |
Φ325×12 |
428 |
199 |
135 |
350 |
425 |
|
| |
|
|
厂家提供的优质配对法兰(经调质、发黑处理) |
模拟图 |
|
| |
优量公司 -------- 快速供货 快件发货 |
1、智能涡街流量计有现货。(Φ25-Φ300mm、不锈钢材质、液晶显示)
2、插入式涡街流量计订货后生产周期:5天 |
| |
涡街流量计价格--------性价比高的流量计 |
涡街蒸汽流量计价格低于孔板流量计的价格,但精度高、量程比宽、压损为小,这些特点决定了蒸汽涡街流量计,性价比高。
蒸汽涡街流量计的安装比孔板流量计方便,无需安装导压管和差压送器。
耐高温和耐高压的蒸汽流量计价格,肯定会高一些。 |
1、温度补偿分体型涡街流量计价格:?元/套(三件套)
2、温压补偿分体型涡街流量计价格:?元/套(四件套)
3、温度补偿一体型涡街流量计价格:?元/套(锂电池供电)
4、温压补偿一体型涡街流量计价格:?元/套(锂电池供电)
5、温度补偿一体型涡街流量计价格:?元/套(24VDC供电)
6、温压补偿一体型涡街流量计价格:?元/套(24VDC供电) |
| |
请购买正宗的无锡优量公司产品,注意产品标识和包装 |
|
|
|
优量公司专用标签 |
优量公司彩色说明书 |
优量公司专用包装箱 |
|
| |
如需更详尽的使用说明书和咨询技术问题
请来电:0510-8202 6888 / 8311 8288 |
| |
IC插卡预收费/远程电脑抄表---节约人工
无锡优量 技术:0510-8311828882026888 |
|
| |
无锡优量公司 数据采集系统 (实现自动抄表,自动生成报表)
五大特点:
1、实现下面流量计的数据和上面计算机显示的采集数据完全一样,没有二次积算,避免贸易供需双方矛盾产生.
2、自动抄表,节约人工,足不出户.
3、实时计录,历史数据查询.
4、随时分析流量数据,便于生产和调度.
5、安装简单,无需调试,突破传统专业人员的复杂调试,普通人员也能轻松安装.
技术咨询: 0510-8202 6888 8311 8288 QQ: 398931544 传真:0510-85620996 83111131 |
| |
|
| |
|
| |
| 流量数据实时曲线 |
|
| |
|
| |
| |
| |
|
| |
| |
|
| |